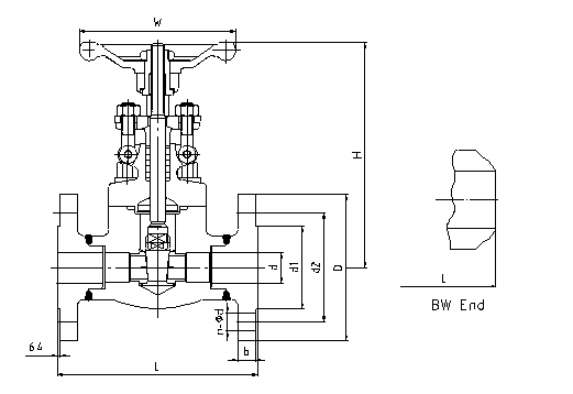
Кованая задвижка с фланцевым концом